MENU
ホーム
製品紹介
施工例
会社案内
会社概要
施工業者地区別索引
お問い合わせ
製品紹介
PRODUCTS
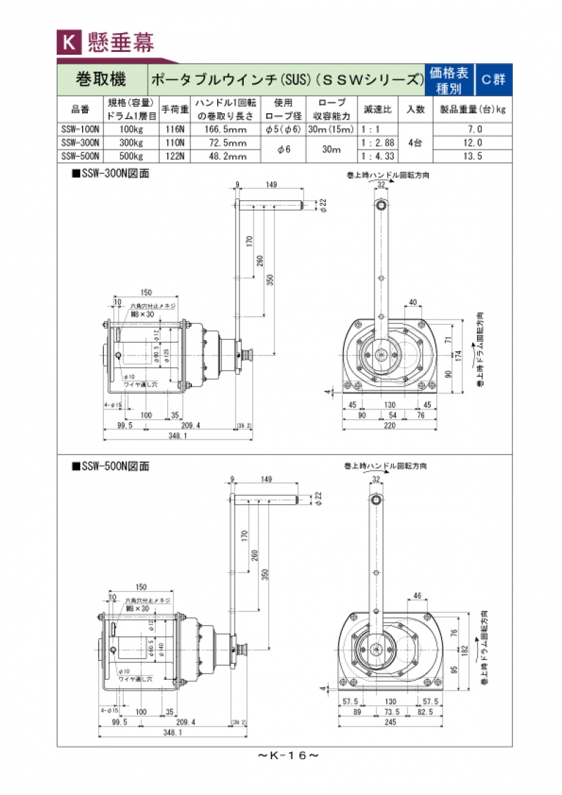
K-15~16 ポータブルウインチ(SUS)(SSWシリーズ)
K-16 ポータブルウインチ(SUS)(SSWシリーズ) 300kg・500kg
K-016
前のページへ戻る